Produktnummer:
PROD5302
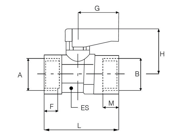
Mikro-Kugelhahn Innengewinde/Innengewinde
- Mouldpro
Dateien
Bilder
Spezifikation
Compact forged Mini Ball Valve construction which is ideal for use where space is limited.
Supplied with red handle, but spare colour markers can purchased separately to identify cold/warm (blue/red)
These Mini Ball Valves are perfect with our distribution maninfolds.
