Produktnummer:
3742
3-Wege-Kugelhahn - Innengewinde
- Mouldpro
Dateien
| Name | Herunterladen | File type |
|---|---|---|
| Datasheet-3-way-Ball-Valves.pdf | 370 KB |
Bilder
Spezifikation
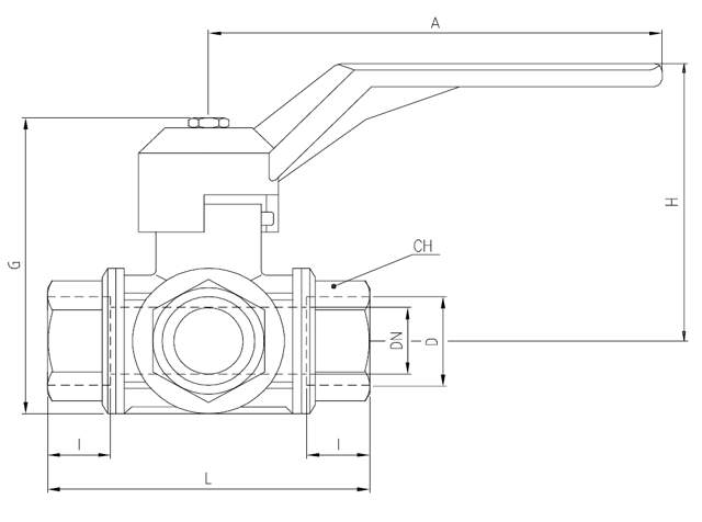
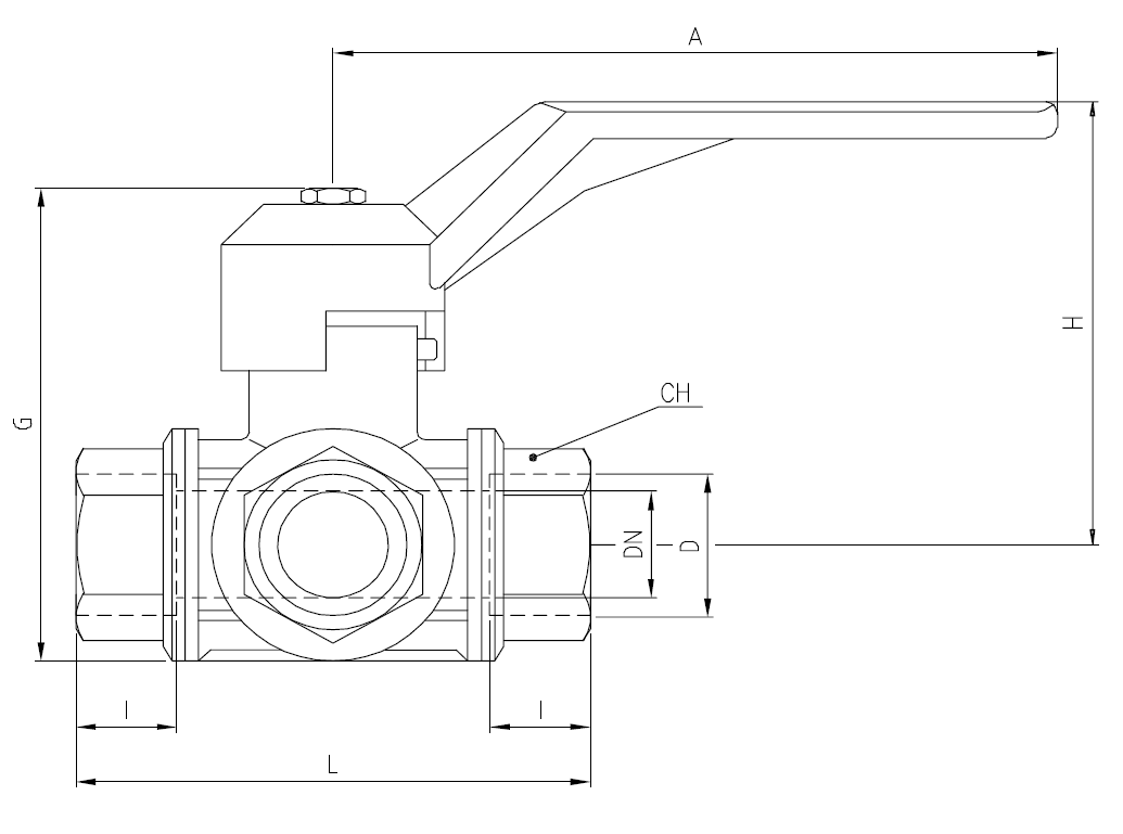
Der 3-Wege-Kugelhahn mit L-Bohrung bietet eine vielseitige Lösung für die Steuerung von Flüssigkeits- und Gasflüssen in verschiedenen Anwendungen. Sein vernickeltes Messinggehäuse ist sandgestrahlt und heißgeschmiedet, wodurch eine langlebige und robuste Konstruktion gewährleistet wird. Der Hebel-Mechanismus ermöglicht eine präzise Steuerung, während die selbstschmierenden PTFE-Dichtungen für Zuverlässigkeit und lange Lebensdauer sorgen. Dank der vollwertigen Durchgangsbohrung wird ein minimaler Druckabfall erzielt, und die Gewinde nach ISO 228 gewährleisten eine einfache Installation.
Technische Merkmale:
- Material: Vernickeltes Messing
- Dichtungen: Selbstschmierende PTFE-Dichtungen
- Arbeitsdruck: Maximal 20 bar
- Betriebstemperatur: -10°C bis +120°C
- Gewinde: ISO 228, Innengewinde
- Hebelmechanismus für präzise Steuerung

