Produktnummer:
3758
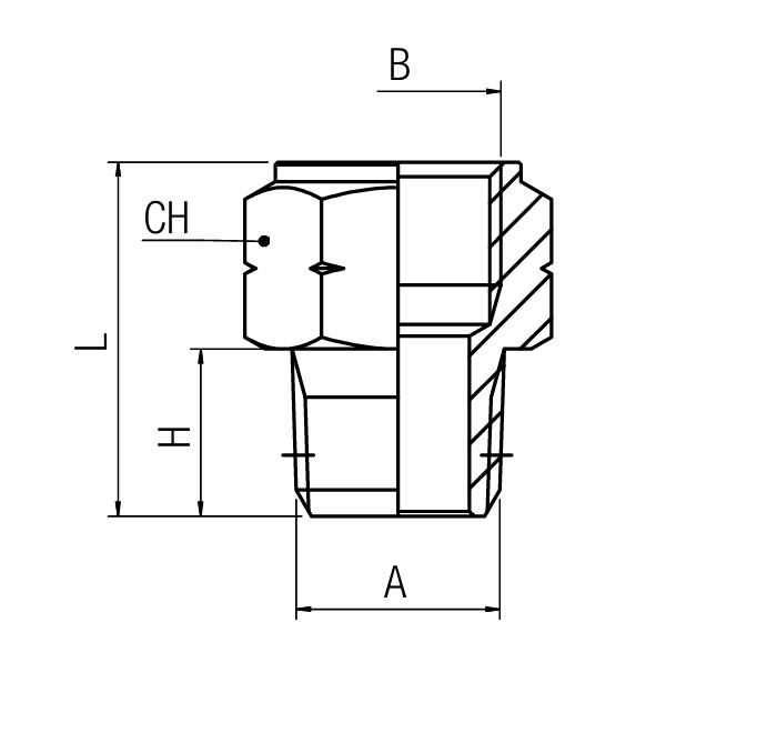
Adapternippel - BSPP zu NPT
- Mouldpro
Dateien
Bilder
Spezifikation
Der Adapternippel BSPP zu NPT ermöglicht eine zuverlässige Verbindung zwischen zwei unterschiedlichen Gewindetypen. Hergestellt aus hochwertigem, vernickeltem Messing, bietet dieser Adapter hervorragende Korrosionsbeständigkeit und Langlebigkeit. Ideal für Anwendungen in der Hydraulik, Pneumatik und anderen technischen Bereichen, wo eine sichere und dichte Verbindung erforderlich ist. Die präzise Verarbeitung garantiert eine einfache Montage und einen zuverlässigen Einsatz unter verschiedenen Bedingungen.
Technische Merkmale:
- Material: Vernickeltes Messing
- Einsatzbereich: BSPP-Gewinde zu NPT-Gewinde
- Korrosionsbeständig
- Hochwertige Verarbeitung
