Produktnummer:
3280
Düsenheizband
- Mouldpro
Dateien
Bilder
Spezifikation
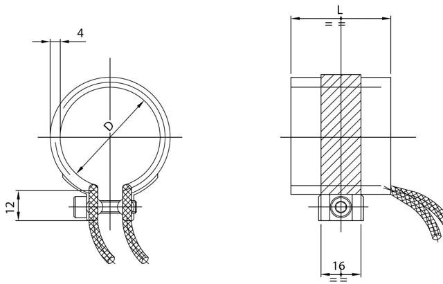
Das Düsenheizband wurde speziell für die Anforderungen in der Spritzgussindustrie entwickelt. Gefertigt aus hochwertigen Materialien, bietet es eine zuverlässige und leistungsstarke Erwärmung von Düsen bei Spritzgussmaschinen. Das Heizband ist mit einer robusten Mica-Isolierung ausgestattet und für Temperaturen bis zu 370 °C ausgelegt. Die 1000-mm-Anschlussleitung mit SS-Bipolar-Kabel sorgt für Flexibilität bei der Installation, auch in engen Bereichen. Die Bauweise des Heizbandes ermöglicht eine einfache und effiziente Montage, ideal für Heißkanal- und Düsenanwendungen, bei denen Präzision und Langlebigkeit gefragt sind.
Technische Merkmale:
- Material: Mica-Isolierung.
- Maximale Betriebstemperatur: 370 °C.
- Anschlussleitung: 1000 mm, SS-Bipolar.
- Spannung: 230 V.
- Anwendungsbereich: Heißkanal- und Düsenerwärmung.

