Produktnummer:
5011
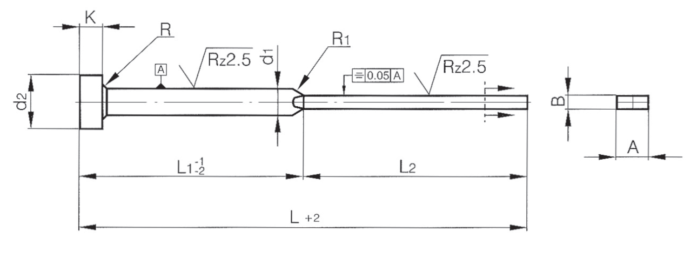
Flachauswerferstifte DIN ISO 8693 - gehärtet
- Mouldpro
Dateien
Bilder
Spezifikation
Dieser Flachauswerferstift entspricht der DIN ISO 8693 Norm und ist gehärtet sowie präzise geschliffen, um eine hohe Beständigkeit und Langlebigkeit zu gewährleisten. Der Auswerferstift eignet sich ideal für anspruchsvolle Anwendungen in Spritzgusswerkzeugen und fördert eine zuverlässige und gleichmäßige Entformung. Die gehärtete und polierte Oberfläche minimiert Reibung und erhöht die Verschleißfestigkeit, was die Lebensdauer des Werkzeugs verlängert.
Technische Merkmale:
- Material: 1.2344
- Oberfläche: Nitriert und poliert
- Härte: 40 ± 2 HRC (Kopf 45 ± 5 HRC)


