Produktnummer:
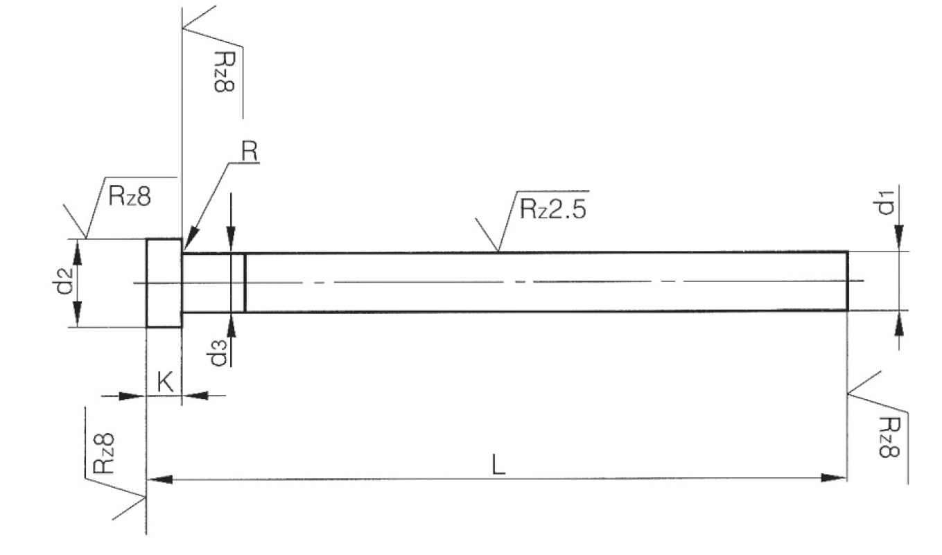
Auswerferstifte DIN 6751 Typ AB - nitirert und poliert
- Mouldpro
Der Auswerferstift DIN 6751 Typ AB ist aus hochwertigem Stahl gefertigt und bietet eine nitrierte und polierte Oberfläche für optimale Haltbarkeit und Verschleißfestigkeit. Entwickelt für präzise Spritzgussanwendungen, sorgt dieser Auswerferstift für eine gleichmäßige und kontrollierte Entformung, was zu einer längeren Lebensdauer der Form und verbesserten Zykluszeiten beiträgt. Seine hohe Härte und Präzision machen ihn ideal für anspruchsvolle Produktionsprozesse. Er erfüllt alle erforderlichen Standards für professionelle Spritzgießanwendungen und gewährleistet durch seine hervorragende Oberflächenbeschaffenheit eine gleichmäßige Funktionalität ohne Beschädigung der Formteile.
Technische Merkmale:Material: 1.2344
Härte: 65 ± 2 HRC, Kopf 45 ± 5 HRC
Oberfläche: Nitriert und poliert


