Produktnummer:
5009
Auswerferstifte DIN 1530 Typ CH - gehärtet
- Mouldpro
Dateien
Bilder
Spezifikation
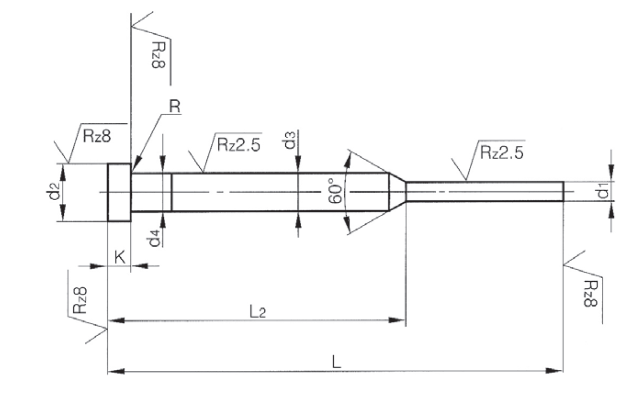
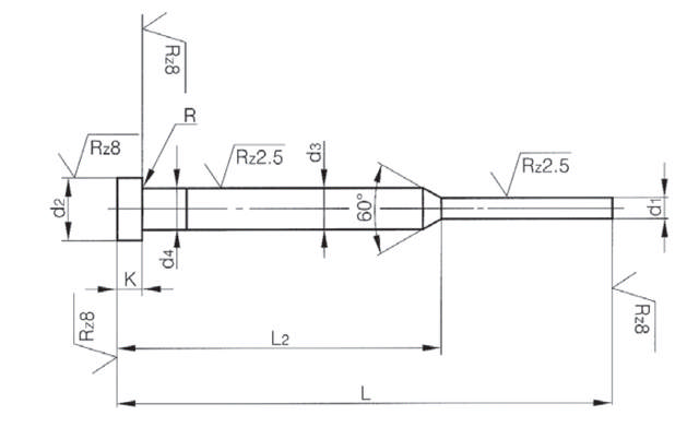
Der gehärtete Auswerferstift DIN 1530 Typ CH zeichnet sich durch seine hohe Verschleißfestigkeit und Oberflächenhärte aus und ist ideal für Anwendungen in Spritzgießwerkzeugen. Gefertigt aus hochwertigem 1.2516-Stahl, ist dieser Auswerferstift präzisionsgefertigt und sorgt für eine zuverlässige und langlebige Leistung in anspruchsvollen Einsatzbereichen. Die polierte Oberfläche minimiert den Reibungswiderstand und gewährleistet eine exakte und reibungslose Entformung. Die hochwertige Materialwahl und die Härtung auf 60 ± 2 HRC machen diesen Stift zur optimalen Wahl für eine langanhaltende Werkzeuglebensdauer.
Technische Merkmale:
- Material: 1.2516 Stahl
- Härte: 60 ± 2 HRC, Kopf 45 ± 5 HRC
- Oberfläche: gehärtet und poliert


