Produktnummer:
5007
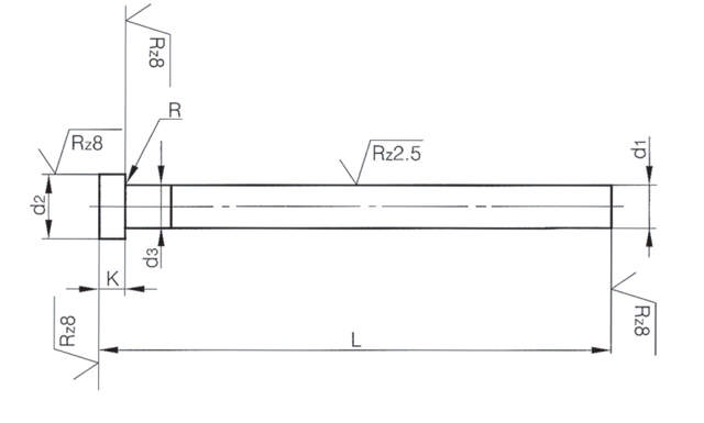
Auswerferstifte DIN 1530 Typ AH - gehärtet
- Mouldpro
Dateien
Bilder
Spezifikation
Der gehärtete Auswerferstift DIN 1530 Typ AH ist eine hochwertige Komponente, die speziell für Anwendungen im Spritzguss- und Formbau entwickelt wurde. Der Stift bietet durch seine gehärtete und polierte Oberfläche eine lange Lebensdauer und hervorragende Verschleißfestigkeit. Hergestellt aus robustem Material, erfüllt dieser Auswerferstift höchste Qualitätsstandards und gewährleistet eine optimale Funktionalität und Zuverlässigkeit in anspruchsvollen Produktionsumgebungen.
Technische Merkmale:
- Material: 1.2516
- Oberfläche: Gehärtet und poliert
- Härte: 60 ± 2 HRC (Schaft), Kopf 45 ± 5 HRC


