/Files/Icons/phone.svg
+49 (0) 2353 / 7008 – 30
/Files/Icons/envelope.svg
vertrieb@del-norm.de
/Files/Icons/linkedin.svg
LinkedIn
/Files/Icons/facebook.svg
Facebook
/Files/Icons/twitter-x.svg
X.
/Files/Icons/instagram.svg
Instagram
Sonderangebote
Newsletter
/Files/Icons/1_none.svg
Über uns
Über Uns
Unser Team
/Files/Icons/1_none.svg
Kontakt
/Files/Icons/user.svg
Sign in
Einloggen
Passwort vergessen
Benutzer erstellen
/Files/Icons/shopping-bag.svg
Warenkorb
0
Produkte
Werkzeugtemperierung
Durchflussmessung
Verbrauchsmaterial
Werkzeugbeheizung
Materialhandling für Granulat
EOAT
Maschinendüsen
Werkzeuge & Zubehör
Spritzgießzubehör
Kraftspanner für den Spritzguss
Hebetechnik für den Spritzguss
Komponenten für den Werkzeugbau
Technologien
Flosense
Schlauchkonfigurator
Prodoptim
Kundensupport
News & Events
Download-Bereich
Policies
Frage & Antwort
Expresskauf
Produkte
EOAT
Sauggreifer
Fittinge und Zubehör
Halterung für Saugnapf
Produktnummer:
3593
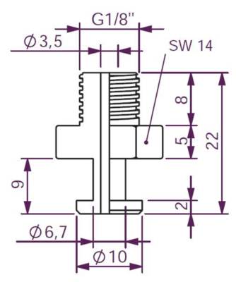
Halterung für Saugnapf
Roborex
Jetzt kaufen
Spezifikation
Dateien
Bilder
Halterung für Saugnapf mit G1/8 Außengewinde Verschraubung 130.030 – Stabil & Zuverlässig
Previous
Nächste
Spezifikation
Verschraubung 130.030, G1/8 Außengewinde
Ähnliche Produkte
Wird häufig zusammen bestellt
Favorite list updated