Produktnummer:
PROD210
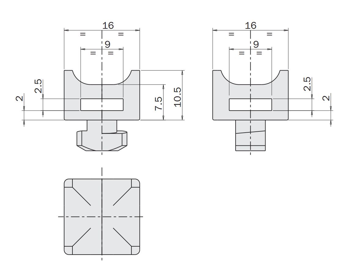
Kabelbindungsblock
- Roborex
Dateien
Bilder
Spezifikation
Der CTK Kabelbindungsblock ist eine innovative Lösung für die saubere und sichere Organisation pneumatischer und elektrischer Kabel. Dieses „Twist-On“-System gewährleistet eine einfache und zuverlässige Befestigung, die eine ordentliche Kabelverwaltung auch in anspruchsvollen Anwendungen ermöglicht. Ideal für den Einsatz in Spritzgussmaschinen oder anderen industriellen Anwendungen, wo effizientes Kabelmanagement essenziell ist. Die robuste Konstruktion sorgt für langfristige Haltbarkeit und optimale Leistung.
Technische Merkmale:
- Einfache „Twist-On“-Befestigung
- Robustes und langlebiges Design
- Geeignet für pneumatische und elektrische Kabel
- Flexibler Einsatzbereich für industrielle Anwendungen

