Produktnummer:
PROD208
EOAT Aluminiumprofil der Serie X, J und L
- Roborex
Dateien
Bilder
Spezifikation
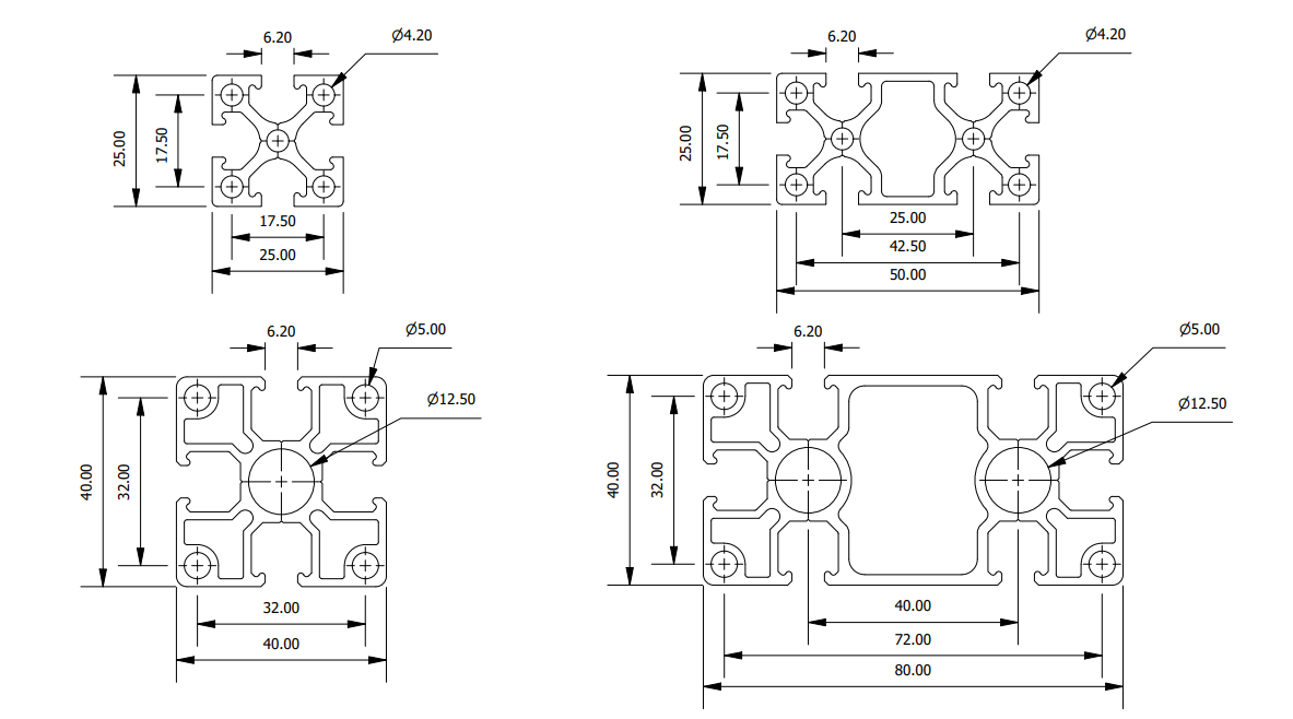
Unsere EOAT Aluminiumprofile der Serien X, J und L sind speziell für Anwendungen im Bereich der End-of-Arm-Tooling (EOAT) in der Automatisierung und Robotik konzipiert. Diese Profile zeichnen sich durch eine innovative Nutgeometrie aus, die eine vibrationssichere und stabile Verbindung gewährleistet. Sie bieten eine ideale Lösung für die präzise Montage von Greifern, Sensoren und Nutensteinen, um eine verlässliche Performance in anspruchsvollen, beweglichen Systemen zu gewährleisten.
Abgrenzung zu klassischen Konstruktionsprofilen:
- Spezifische Nutgeometrie: Die Profile sind auf die sichere Befestigung EOAT-relevanter Komponenten optimiert, während Konstruktionsprofile allgemeiner gehalten sind.
- Optimierung für EOAT-Integration: Sie bieten speziell angepasste Montagemöglichkeiten für die Belastungen und die Präzision, die in der Automatisierung erforderlich sind.
- Material und Gewicht: Aus hochwertigem, leichtem Aluminium gefertigt, reduzieren die Profile das Gesamtgewicht der Roboterarme und erhöhen gleichzeitig deren Stabilität.
- Vibrationsbeständigkeit: Eine formschlüssige Verbindung sichert auch bei Vibrationen eine zuverlässige Stabilität.
- Kompatibilität: Die Profile sind kompatibel mit spezifischem EOAT-Zubehör und bieten eine passgenaue Anpassung für Ihr System.
Freight notice:
Additional freight costs may occur on this item due to size, dimension, weight, or non-standard postal code.
Additional freight costs may occur on this item due to size, dimension, weight, or non-standard postal code.


