Produktnummer:
PROD238
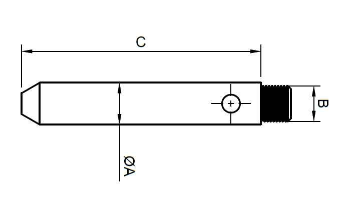
Centering Pin
- Roborex
Dateien
Bilder
Spezifikation
Produktübersicht:
Der Zentrierstift ist eine wichtige Komponente in End-of-Arm-Tooling-Systemen, die eine präzise Ausrichtung und Positionierung von Greifarmen und Werkstücken gewährleisten soll. Dieser Stift verbessert die Genauigkeit und Effizienz vo

